随着参数化建模的兴起,BIM参数化建模逐渐成为现代建筑设计中必须掌握的应用技能。那参数化建模是什么意思?参数化设计大大提高了模型生成和修改的速度,在产品的系列设计和生产中,能快速了解各种数据之间的关系,处理各种问题的变量。
一、参数化建模是什么意思?
参数化建模是20世纪80年代后期逐渐占据主导地位的一种计算机辅助设计方法,是参数化设计的重要过程。在参数化建模环境中,零件由特征组成。参数化设计是一种辅助设计工具。对于相关人员来说,他们不需要会画图,只需要输入或者选择一些参数就能自动为你生成相应的3D模型。它支持实时预览,所见即所得。它适用于不同的文件类型,不受产品类型的限制。
二、Revit参数化建模过程
①选择合适的族样板文件。根据构件的特点来定,一般选择“公制常规模型“或“自适应公制常规模型”。
②在族编辑器中,根据项目需要布局参照平面,然后开始标注。
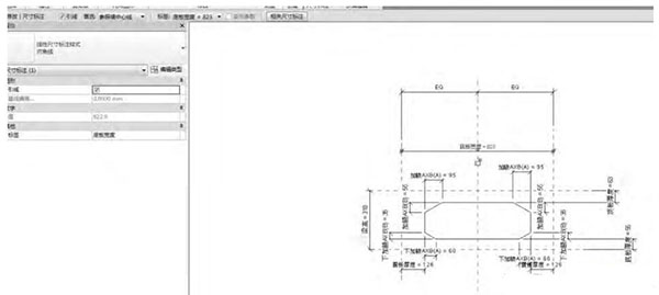
③单击尺寸线,然后单击标签,选择添加参数,出现如图所示的对话框,依次添加参数。参数化建模是在一定的尺寸约束和几何约束下,根据设计者给出的参数值生成新的模型,利用几何约束和数学表达式描述不同尺寸之间的依赖关系。通过修改参数,整个参数模型具有唯一的确定解。
为了使结构的参数模型在其参数改变时具有唯一的解,模型必须具有完整的尺寸约束和几何约束。在本例中,尺寸标注实际上起着几何约束的作用,而类型参数属性起着尺寸约束的作用。尺寸约束和几何约束共同实现了箱梁截面模型解的确定性。

④在“族属性”面板上,单击“类型”。在“族类型”对话框中相应参数旁边的“公式”列中,输入参数的公式。Revit软件是用一套比较完整的数学语法构建的,通过它能在不同的族参数之间形成特定的关系。通过编辑公式,能提高参数化设计的智能性。下图是Revit软件中内置的基本数学语法。

此外,Revit软件提供条件语句,实现参数设置不连续变化。语句的基本结构是:IF。通过定义族类型,实现了变截面连续梁梁截面模型的参数化。通过修改族类型参数,能获得任何尺寸和满足要求的图形。
⑤其他组件的参数化方法相似。

以上就是参数化建模是什么意思的介绍了,Revit软件实现参数化建模只要5步,大家赶紧学习起来吧。